English
Español
Português
русский
Français
日本語
Deutsch
tiếng Việt
Italiano
Nederlands
ภาษาไทย
Polski
한국어
Svenska
magyar
Malay
বাংলা ভাষার
Dansk
Suomi
हिन्दी
Pilipino
Türkçe
Gaeilge
العربية
Indonesia
Norsk
تمل
český
ελληνικά
український
Javanese
فارسی
தமிழ்
తెలుగు
नेपाली
Burmese
български
ລາວ
Latine
Қазақша
Euskal
Azərbaycan
Slovenský jazyk
Македонски
Lietuvos
Eesti Keel
Română
Slovenski
मराठी
Srpski језик
ထုတ်ကုန်အင်္ဂါရပ်များ
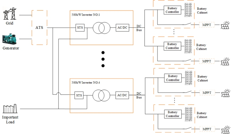
1. KW ကျော်လွန်. 1.BOLELELELELELEOLDS ၏ကြီးမားသောစွမ်းဆောင်ရည် 500 KW single-unit enter သိုလှောင်မှုကိုအသုံးပြုရန်အကြံပြုသည်။
2. အပြိုင် 500 KW စနစ်များကို 500 KW စနစ်များကိုခွဲထုတ်ခြင်းနှင့် stsacross ကွဲပြားခြားနားသော 500 KW Inverters ကိုဖြန့်ဖြူးစေခြင်းနှင့်ဖြန့်ဖြူးခြင်းက 0 န်ဆောင်မှုကြိုးအထိ cable tune-point မှ Casplength ကိုသေချာစေရန်အလွန်အရေးကြီးသည်။
Hybrid ESS သည် DC-coupled photovoltaic ပေါင်းစည်းမှုကို အသုံးပြု. စွမ်းအင်ကူးပြောင်းမှုစွမ်းဆောင်ရည်ကိုရရှိရန်နှင့် PV မျိုးဆက်၏ 0 ယ်လိုအားရှိသည့် PV မျိုးဆက်ဆိုင်ရာစွမ်းရည်များနှင့်အတူ OFF-GRID အခြေအနေများအတွက်ပိုမိုကောင်းမွန်အောင်ပြုလုပ်နိုင်သည်။ ပြင်ပမှအဆင့်သတ်မှတ်ထားတဲ့ mppt
Controller များသည်ပေါင်းစပ်စက်နှင့် MPPT လုပ်ဆောင်မှုကိုတစ်ခုတည်းခိုင်မာသည့်ဝင်းထဲသို့ပေါင်းစပ်ထားသည်။ အပြည့်အဝစနစ်မှာဒီဇယ်ဆီ Generator ATS option, PV MPPT Controller နှင့်ဘက်ထရီပါ 0 င်သည်။
စွမ်းအင်သိုလှောင်မှုစနစ်။


အသေးစိတ်အချက်အလက်
| မော်ဒယ်များ | p500s-400-a | |
|
DC-side parameters တွေကို |
ဗို့အားအကွာအဝေး | 500-950V |
| အများဆုံးလက်ရှိ | 1128a | |
| rated output ကိုပါဝါ | 500kw | |
|
AC-Side parameters တွေကို (Grid-connected) |
အများဆုံး output ကိုပါဝါ | 550kw |
| rated output ကိုလက်ရှိ | 722a | |
| Thdi | <3% | |
| ဝက်ဘ်ဆိုက်အမျိုးအစား | 3w + n + pe | |
| ဗို့အားအကွာအဝေး | 360vac ~ 440vac | |
| ကြိမ်နှုန်းအကွာအဝေး | 45 ~ 55Hz / 55 ~ 65Hz | |
| ပါဝါအချက် | -1 ~ 1 | |
| rated output ကိုပါဝါ | 500kw | |
|
ac ဘေးထွက် parameters တွေကို (Off-GRID) |
rated output ကိုဗို့အား | 400v |
| rated output ကိုကြိမ်နှုန်း | 50 / 60hz | |
| သီဟ | <1% linear load, <5% non-linear ဝန် | |
| overload | 110% 10 မိနစ် | |
| ပြုပြင်ထိန်းသိမ်းမှုရှောင်ကွင်း switch ကို | 1250a | |
|
Off-Grid ခလုတ်နှင့် configuration ကို switch |
DC switch | 1250a |
| switch ကို load | 1250a | |
| grid switch ကို | 1250a | |
| Sts ယူနစ် | 1155a / 800kw | |
| အချိန်ပြောင်းခြင်း | <20ms | |
|
စနစ်များ parameters တွေကို |
peAptint | 97.5% |
| operating အပူချိန် | -30 ~ 55 ℃ (40 ℃အထက် derating) | |
| ဆွေမျိုးစိုထိုင်းဆ | 0 မှ 95% RH, non- condensing | |
| အရွယ်အစား (l * d * ဇ) | 1600 × 1050 × 2050mm | |
| အလေးချိန် | 2700 ကီလိုဂရမ် | |
| iPgrade | IP21 IP21 (အပြည့်အ 0 စက်) | |
| ဆူညံသံ | <70dB | |
| မျက်နှာပြင်မျက်နှာပြင် | LCD | |
| BMS ဆက်သွယ်ရေး | နိုင် | |
| ဆက်သွယ်ရေး EMS | TCP / IP | |