အလတ်စား hybrid စနစ်

အလတ်စား hybrid စနစ်

On-grid နှင့် off-grid စွမ်းအင်သိုလှောင်မှုစနစ်သည် Photovoltaic (PV) ပါဝါထုတ်လုပ်မှု, စွမ်းအင်သိုလှောင်မှုနှင့်အသိဉာဏ်ရှိသောထိန်းချုပ်မှုများကိုပေါင်းစပ်ထားသည်။ ၎င်းသည်ဇယားကွက်ချိတ်ဆက်မှုနှင့်သီးခြားစီတည်းဖြတ်မှုပုံစံနှစ်မျိုးလုံးတွင်စဉ်ဆက်မပြတ်နှင့်တည်ငြိမ်သောလျှပ်စစ်ဓာတ်အားထောက်ပံ့ရေးကိုသေချာစေနိုင်သည်။

စုံစမ်းမေးမြန်းရန်ပေးပို့ပါ။

ကုန်ပစ္စည်းအကြောင်းအရာ


လက်ခဏာ

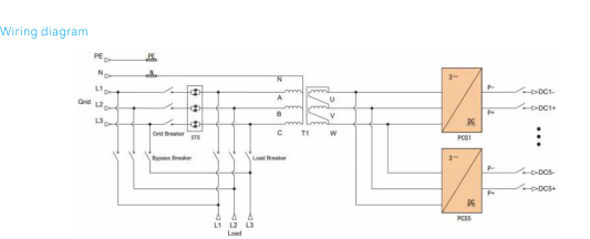
စနစ်သည် Modular Inverter Units ကိုအပြိုင်ဖွဲ့စည်းရန်အတွက်အသုံးပြုသည်

Inverter Module တစ်ခုချင်းစီ၏ DC input ကိုသီးသန့်ဘက်လိုက်သည့်ကက်ဘိနက်နှင့်ကိုက်ညီသည်။

အကြားဖြန့်ဝေနေသောရေစီးကြောင်းများကိုဖယ်ရှားရန် Per-Cluster စီမံခန့်ခွဲမှုအားဖွင့်ခြင်း

ဘက်ထရီကြိုး။

AC / DC Power Modules သည်အရေအတွက်နှစ်မျိုးလုံးတွင်ပြောင်းလွယ်ပြင်လွယ်ဖြန့်ကျက်မှုကိုထောက်ပံ့သည်

5- ယူနစ်အပြိုင်တွင် 60kw module များ၏အများဆုံးစွမ်းရည်ရှိသောစွမ်းအင်အဆင့်သတ်မှတ်ချက်

ပြုပြင်ခြင်း။

ပါဝါ module တွေကနေ ac output ကို transformer မှတဆင့်ကယ်နှုတ်တော်မူ၏

အထီးကျန်မှုအားပြင်းထန်သောခုခံခြင်းဖြင့်ဝန်ကိုထောက်ပံ့ပေးသည့် output output ကိုအဆင့်

လက်ရှိထိတ်လန့်။

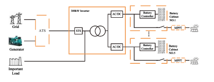
Hybrid ESS သည် DC-coupled photovoltaic ပေါင်းစည်းမှုကိုအလုပ်ခန့်ထားပြီးမြင့်မားသည်

စွမ်းအင်ကူးပြောင်းခြင်းထိရောက်မှုကို pv နှင့်အတူပျံ့နှံ့နေတဲ့အမြိုးမြိုးအတွက် off-grid မြင်ကွင်းအတွက် optimized

ဝန်ဝယ်လိုအားထက်ကျော်လွန်သောမျိုးဆက်စွမ်းရည်; ပြင်ပမှအဆင့်သတ်မှတ်ထားသော MPPT Controllass

ပေါင်းစပ်ပေါင်းစပ်နှင့် mppt လုပ်ဆောင်မှုတစ်ခုတည်းကိုတစ်ခုတည်းခိုင်မာတဲ့ဝင်းထဲသို့ဝင်ပေါင်းစပ်။

အပြည့်အဝစနစ်မှာဒီဇယ်ဆီထုတ်လုပ်သူ ATS option, 300kw hybrid ပါ 0 င်သည်

Inverter, PV MPPT CROLLOLLER နှင့်ဘက်ထရီစွမ်းအင်သိုလှောင်မှုစနစ်။



လက်ခဏာ

စနစ်သည် Modular Inverter Units ကိုအပြိုင်ဖွဲ့စည်းရန်အတွက်အသုံးပြုသည်

Inverter Module တစ်ခုချင်းစီ၏ DC input ကိုသီးသန့်ဘက်လိုက်သည့်ကက်ဘိနက်နှင့်ကိုက်ညီသည်။

အကြားဖြန့်ဝေနေသောရေစီးကြောင်းများကိုဖယ်ရှားရန် Per-Cluster စီမံခန့်ခွဲမှုအားဖွင့်ခြင်း

ဘက်ထရီကြိုး။

AC / DC Power Modules သည်အရေအတွက်နှစ်မျိုးလုံးတွင်ပြောင်းလွယ်ပြင်လွယ်ဖြန့်ကျက်မှုကိုထောက်ပံ့သည်

5- ယူနစ်အပြိုင်တွင် 60kw module များ၏အများဆုံးစွမ်းရည်ရှိသောစွမ်းအင်အဆင့်သတ်မှတ်ချက်

ပြုပြင်ခြင်း။

ပါဝါ module တွေကနေ ac output ကို transformer မှတဆင့်ကယ်နှုတ်တော်မူ၏

အထီးကျန်မှုအားပြင်းထန်သောခုခံခြင်းဖြင့်ဝန်ကိုထောက်ပံ့ပေးသည့် output output ကိုအဆင့်

လက်ရှိထိတ်လန့်။

Hybrid ESS သည် DC-coupled photovoltaic ပေါင်းစည်းမှုကိုအလုပ်ခန့်ထားပြီးမြင့်မားသည်

စွမ်းအင်ကူးပြောင်းခြင်းထိရောက်မှုကို pv နှင့်အတူပျံ့နှံ့နေတဲ့အမြိုးမြိုးအတွက် off-grid မြင်ကွင်းအတွက် optimized

ဝန်ဝယ်လိုအားထက်ကျော်လွန်သောမျိုးဆက်စွမ်းရည်; ပြင်ပမှအဆင့်သတ်မှတ်ထားသော MPPT Controllass

ပေါင်းစပ်ပေါင်းစပ်နှင့် mppt လုပ်ဆောင်မှုတစ်ခုတည်းကိုတစ်ခုတည်းခိုင်မာတဲ့ဝင်းထဲသို့ဝင်ပေါင်းစပ်။

အပြည့်အဝစနစ်မှာဒီဇယ်ဆီထုတ်လုပ်သူ ATS option, 300kw hybrid ပါ 0 င်သည်

Inverter, PV MPPT CROLLOLLER နှင့်ဘက်ထရီစွမ်းအင်သိုလှောင်မှုစနစ်။









အသေးစိတ်အချက်အလက်

မော်ဒယ်များ P200ts-400-a P250ts-400-A p300s-400-a

DC-side parameters တွေကို
ဗို့အားအကွာအဝေး 650-950VDC
Per-module ကို input ကို switch ကို 250a
DC လိုင်းအရေအတွက် 3 လမ်း 4 လမ်း 5

AC-Side parameters တွေကို
(Grid-connected)
rated output ကိုပါဝါ 200kw 250kw 300kw
အများဆုံး output ကိုပါဝါ 220kw 275kw 330kw
rated output ကိုလက်ရှိ 289a 361a 433a
Thdi <3%
ဝက်ဘ်ဆိုက်အမျိုးအစား 3w + n + pe
ဗို့အားအကွာအဝေး 360vac ~ 440vac
ကြိမ်နှုန်းအကွာအဝေး 45 ~ 55Hz / 55 ~ 65Hz
ပါဝါအချက် -1 ~ 1

ကျွန်း
AC-Side parameters တွေကို
rated output ကိုပါဝါ 200kw 250kw 300kw
rated output ကိုဗို့အား 400vac 400vac
rated output ကိုကြိမ်နှုန်း 50 / 60hz
သီဟ <1% linear, <5% nonlinear <1% linear, <5% nonlinear
overload 10 မိနစ်ခန့်အဘို့အ 110% overload 10 မိနစ်များအတွက် 10 မိနစ် 1 မိနစ်

Grid-Laying
လွှဲပြောင်းခြင်းနှင့် SwitchGear
ပြုပြင်ထိန်းသိမ်းမှုရှောင်ကွင်း switch ကို 400A 630a
Grid ခလုတ် 630a 800A
switch ကို load 400A 630a
Sts ယူနစ် 577a / 400kw 722a / 500kw
အချိန်ပြောင်းခြင်း <20ms

စနစ်များ parameters တွေကို
အထွတ်အထိပ်ထိရောက်မှု 97.5%
operating အပူချိန် -30 ~ 55 ℃ -30 ~ 55 ℃ 55 ℃ (40 ℃အထက် derating)
ဆွေမျိုးစိုထိုင်းဆ 0 ~ 95% RH, 0 ~ 95% RH, Non-condensing
အရွယ်အစား (l * d * ဇ) 1300 × 1050 × 2050mm
အလေးချိန် 1400 ကီလိုဂရမ် 1700kg 1800kg
iPgrade IP21 IP21 (အပြည့်အ 0)
ဆူညံသံ <70dB
မျက်နှာပြင်မျက်နှာပြင် LCD touch-screen
BMS ဆက်သွယ်ရေး နိုင်
ဆက်သွယ်ရေး EMS TCP / IP


Hot Tags: အလတ်စား hybrid စနစ်
စုံစမ်းမေးမြန်းရန်ပေးပို့ပါ။
ကျေးဇူးပြု၍ အောက်ပါပုံစံဖြင့် သင်၏စုံစမ်းမေးမြန်းမှုကို အခမဲ့ပေးပါ။ 24 နာရီအတွင်း သင့်အား အကြောင်းပြန်ပါမည်။
X
သင့်အား ပိုမိုကောင်းမွန်သောကြည့်ရှုမှုအတွေ့အကြုံကို ပေးဆောင်ရန်၊ ဆိုက်အသွားအလာကို ပိုင်းခြားစိတ်ဖြာပြီး အကြောင်းအရာကို ပုဂ္ဂိုလ်ရေးသီးသန့်ပြုလုပ်ရန် ကျွန်ုပ်တို့သည် ကွတ်ကီးများကို အသုံးပြုပါသည်။ ဤဆိုက်ကိုအသုံးပြုခြင်းဖြင့် ကျွန်ုပ်တို့၏ cookies အသုံးပြုမှုကို သင်သဘောတူပါသည်။ ကိုယ်ရေးအချက်အလက်မူဝါဒ