English
Español
Português
русский
Français
日本語
Deutsch
tiếng Việt
Italiano
Nederlands
ภาษาไทย
Polski
한국어
Svenska
magyar
Malay
বাংলা ভাষার
Dansk
Suomi
हिन्दी
Pilipino
Türkçe
Gaeilge
العربية
Indonesia
Norsk
تمل
český
ελληνικά
український
Javanese
فارسی
தமிழ்
తెలుగు
नेपाली
Burmese
български
ລາວ
Latine
Қазақша
Euskal
Azərbaycan
Slovenský jazyk
Македонски
Lietuvos
Eesti Keel
Română
Slovenski
मराठी
Srpski језик
ထုတ်ကုန် features
1, DC Generation နှင့် DC သိုလှောင်ခြင်း, ထိရောက်သောပမာဏနှင့်သိုလှောင်မှုစွမ်းအားအတွက်သင့်လျော်သည်။
ဝန်စွမ်းအင် off-grid အခြေအနေများထက်;
2, IP65 အကာအကွယ်, ပြင်ပအသုံးပြုမှုနှင့်တွေ့ဆုံခြင်း။ အနီးအနားရှိ MPPT သည် convergence output ကိုတိုးမြှင့်ပေးပြီးဝါယာကြိုးကိုတားဆီးရန်ကူညီသည်
Photovoltaic (PV) ကေဘယ်လ်ကြိုးများစွာကြောင့်ရှုပ်ထွေးမှုများကြောင့်အားလုံးသည် All-in-One စနစ်သို့အကွာအဝေးများစွာကျော်လွှားနိုင်ခဲ့သည်။
3,9-900v ဗို့အားကျယ်ကျယ်ပြန့်ပြန့် photovoltaic input ကို Photovoltaic input ကိုထောက်ပံ့ခြင်းလုပ်ငန်း၏မြင့်မားသော Photovoltaic Module ကိုထောက်ပံ့သည်။
4, Multi-channel mppt, PV Panel Multi-angle နှင့်တွေ့ဆုံ
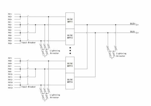
ဝါယာကြိုးပုံ

အသေးစိတ်အချက်အလက်
| မော်ဒယ်များ | MPPT-8 | mppt-6 | MPPT-12 | |
| pv-side interface parameters |
အများဆုံး PV Array ဗို့အား | 900V | ||
| MPPT ဗို့အားအကွာအဝေး | 200v-900V | |||
| MPPT ဗို့အားအကွာအဝေး rated | 560v-900V | |||
| အများဆုံးဘဏ်ခွဲလက်ရှိ | 24a | 20a | ||
| PV input strings နံပါတ် | 8 | 6 | 12 | |
| mppt အရေအတွက် | 8 | 2 | 4 | |
| MPPT နှုန်းမှာလက်ရှိ | 20a | 55a | ||
| output parameters တွေကို | ဗို့အားအကွာအဝေး | 600-950v | ||
| rated ဗို့အား | ပုံမှန် 716.8V, ချိန်ညှိ | |||
| rated output ကိုလက်ရှိ | 118a | 84a | 168A | |
| rated output ကိုပါဝါ | 84kw | 60kw | 120kw | |
| အများဆုံး output ကိုလက်ရှိ | 192A | 120a | 240A | |
| system parameters တွေကို | eue ciency | 99.4% | ||
| အိုင်ပီတန်း | iP65 | |||
| concepting cooling | သဘာဝ convectc | အတင်းအဓမ္မလေကြောင်းအအေး | ||
| အရွယ်အစား (W * D * ဇ) | 550x530x280mm | 630 × 460 × 260 မီလီမီတာ | 630 × 460 × 260 မီလီမီတာ | |
| အလေးချိန် | 42 ကီလိုဂရမ် | 25KG | 30kg | |
| operating အပူချိန် | -30 ~ 55 ℃ | |||
| Power Supply Modes | မိမိကိုယ်ကို (ညအချိန်တွင်လျှပ်စစ်ဓာတ်အားမ 0 င်ဘဲ) | |||
| ဆက်သွယ်ရေး interface | ရူပီး 485 | |||
